ECC82 Regenerative receiver

ECC82 Regenerative receiver

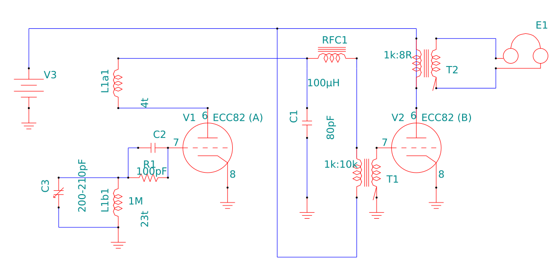
This is a simple two-triode regenerative receiver for CW reception on the 40 meter band. While the basic design is from the 1920s, I do use (relatively) modern components: a single ECC82 (12AU7) dual triode, an T50-6 iron powder toroid for the coil, and miniature audio transformers. A single 12.6V source is reqired, of which 300mA is used for the tube heaters and a few microamps for the regenerative detector and audio amplifier stages.

In spite of its simplicity, the receiver does a good job of receiving CW and, to my surprise, is even stable enough to receive narrow-band FT8 traffic! See below for details.

Recordings

FT8 and WSPR experiments

Can modern narrow-band digital modes be received and decoded with a bare-bones vacuum tube regenerative receiver, using a free-running VFO at 7 MHz and an antenna coupled directly to the tuned circuit? I didn't have much hope for this, but it turns out that yes, it's possible!. After letting the receiver stabilize for an hour or so, WSJT-X is able to decode nearly all of the FT8 traffic present as well as occasional WSPR.

Schematic

Schematic of ECC82 regenerative receiver

Back to the main page