Regenerative receiver projects

Regenerative receiver projects

Lemon Drops

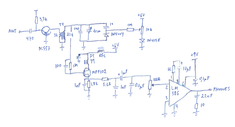
This is a homebrew regenerative receiver, mostly based on several designs by Charles Kitchin N1TEV. See the links below for an article by him. The receiver tunes the entire 30m band (10100-10150) and performs quite well. Since it is made for a narrow CW-only band, we can use a trimmer capacitor for a fixed amount of regeneration. In use, it is hard to distinguish from a direct-conversion receiver. For tuning, I use a 1N4007 diode together with a 10-turn potentiometer. In series with a 10pF fixed capacitor and in parallel with a little more than 100pF this results in a tuning range almost exactly the size of the 30m band (50 kHz). The regenerative circuit itself is fairly standard, using a MPF102 JFET and a T-50-6 toroid with a main winding for the tuned circuit, a tickler winding, and a winding to couple the common-base preamplifier stage. Audio output is coupled through the source of the JFET, through some mild low-pass audio filtering and a volume control to an LM386 amplifier with a voltage gain of 50. I use a 9V battery, and there is a 6V regulator (78L06) not shown in the schematic providing a regulated supply for voltage-sensitive parts of the circuit.

Schematic

Video of the receiver, on top of a loop antenna, with CW sounding like bird song.

Inside view Outside view

I made another version of this receiver, on a wooden board with a bandspread capacitor.

Wooden version

External links

Other interesting circuits

Back to the main page